96 Honda Civic Air Cond blows warm

96 Honda Civic Condensor fan motor current waveform, dropout and shorted.
Warm Air Cond usually means a system has lost its charge and thats our first thought, but don't get in a routine on that assumption. Most of my diagnostic procedures call for a battery volts test, and fuse tests, this can save you many hours of time ending up here anyway so do it first. First I check the battery to make sure its up, I look for at least 12.4 volts. Then I check Underhood fuses, then underdash fuses with key on, engine running. (if it runs) some may not be powered up, depends on the system thats protected, (make sure what you are testing is turned on) you may have a legend to follow at the fuseblock, or you may have to look at a wiring diagram.
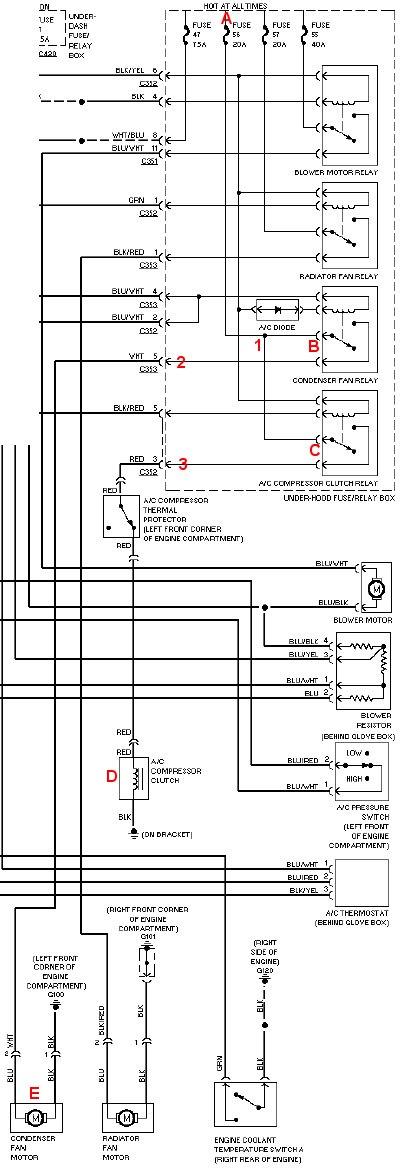
In this case, the fuses were marked what they were for, and the fuse to the A/C condensor fan motor was blown. Any time a fuse is blown, something has overloaded the circuit and you can't just put a fuse in and if its ok forget it, whatever blew it is going to again once the the circuit is overloaded for whatever reason. In the diagram below the fuse in question is (A). This circuit goes through two relays, one for the condensor fan motor, (B) and one for the compressor clutch coil.(C) One of these two components may or may not be overloading the circuit, or the circuit itself is shorted to ground somewhere.
The fastest way to a conclusion here is with key off, pull connector at each relay, pull blown fuse, and check resistance on load side of fuse socket. There should be infinity on the circuit, (open circuit) If there is any reading, this indicates the circuit is shorted to ground. Result here was good, no short to ground on the circuit to the relays.(1) Now I check the component load side circuit of the relay connectors for resistance, here I'll be seeing each component on the circuit at the relay connector and this will lead to which is at fault. The compressor clutch coil (D) showed about 4 ohms which is about typical, (if infinite, this could indicate an open cycling switch caused by weak or empty freon charge, or bad switch, in this case, go to load side of switch connector) so, the circuit to the compressor clutch coil, and the coil itself are ok and not causing the fuse to blow and I can forget that part of the total circuit.
The condensor fan motor circuit, or the motor itself, from its relay has to be the source of the problem. Motor resistance is only found using Ohms law, so disconnect the motor, and check the circuit for short to ground. In this case, the circuit was ok, so, it has to be the motor causing the fuse to blow, by drawing to many amps. Now, at the motor connector, run straight power to the motor itself across a 20 amp circuit breaker, if the breaker opens, you have just verified the motor as the source of the problem. (After finding the problem, I ran power (unfused) straight to the motor to see if it would run and get a current waveform, look at the amount of draw in the waveform at the top of the page, definitely exceeding the fuse rating of 20 amps.)


After dissecting the motor, I believe this was caused by the motor being on while the car was involved in a accident, when the motor jammed, some of the armature windings were overheated causing them to short out and blow the fuse. This was probably never noted when the body damage was repaired.

New motor waveform.